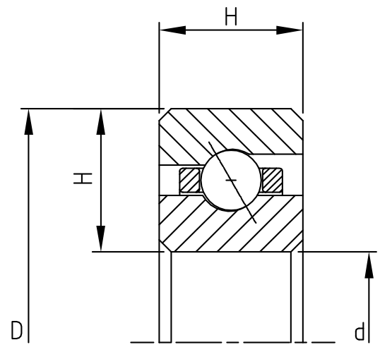
公制等截面薄壁角接觸球軸承
A型角接觸球軸承與C型軸承不同之處在于A型軸承有足夠的徑向游隙,能形成足夠的接觸角來承受軸向載荷。由于具有單向載荷能力,該軸承需要與其它軸承對稱配對安裝,以設定并保證接觸角,同時在受到交變的軸向載荷時使其軸向運動最小。



全國服務熱線
公制等截面薄壁角接觸球軸承
A型角接觸球軸承與C型軸承不同之處在于A型軸承有足夠的徑向游隙,能形成足夠的接觸角來承受軸向載荷。由于具有單向載荷能力,該軸承需要與其它軸承對稱配對安裝,以設定并保證接觸角,同時在受到交變的軸向載荷時使其軸向運動最小。


